首页 > 产品中心 > 信号采集与发生 > 数字示波器
[content:title]
[content:title]
[content:title]
[content:title]

MSO7000X系列

MSO7000X系列高带宽混合信号示波器,拥有非凡的性能指标,全面细致的分析功能,人性化的触控体验,助您在科技的海洋无限探索。

2G带宽是高端示波器的起点,MSO7000X系列带宽高达2.5GHz,在高速信号分析中有明显的优势。

MSO7000X波形捕获率高达2,000,000 wfms/s,结合1Gpts超长存储深度,显著提升异常信号捕获能力,以及波形细节测量和分析能力。搭载Win10 64位操作系统,为用户提供稳定可扩展的系统平台,通过提供示波器API接口,显著提升系统的智能化程度,满足日益复杂的用户需求。

4
模拟通道数
2.5GHz/2GHz/1GHz
模拟带宽
10GSa/s
最高实时采样率
1Gpts
最大存储深度
2,000,000wfms/s
最高波形捕获率
透彻纯净,捕捉真实--信号测量精准无比
透彻纯净,捕捉真实--信号测量精准无比

MSO7000X系列作为优利德旗舰级示波器,拥有高达2.5GHz模拟带宽和

10GSa/s采样率,上升时间仅为160ps,结合1Gpts存储深度,让您在超长记录的同时拥有更高的信号保真,更真实的波形的整体和细节测量。


多窗口,灵动布局
多窗口,灵动布局

任意组合、任意大小、悬浮、下沉、全屏分窗口

-支持波形移动、缩放

-支持窗口拖拽改变布局

-支持弹窗钉住,减少多窗口间频繁切换

-支持屏幕扩展,提高多任务处理效率!

波形捕获率高达2,000,000wfms/s
波形捕获率高达2,000,000wfms/s

MSO7000X采用优利德独创的UltraAcq®技术,提升实时波形捕获率至

800,000wfms/s以上,搭配全新的Ultra Phosphor® 3.0超级荧光显示技术,瞬变信号一览无余,清晰呈现。


WebServer-兼容多平台远程操控
WebServer-兼容多平台远程操控

-SCPI远程控制 

-远程查看和控制 

-导出波形文件 

-在线浏览使用手册 

-支持手机访问

Matlab嵌入式编程,运算能力不受限于示波器
Matlab嵌入式编程,运算能力不受限于示波器
Matlab嵌入式编程,运算能力不受限于示波器

利用Matlab强大的数学库,您可以将编译好的Matlab代码直接拷贝至示波器运行,运行结果直接显示在示波器界面,同时MSO7000X也提供了几十种高级公式编辑以及滤波器、增强分辨率模式,1M点增强FFT等强大的数学功能,MSO7000X在数学运算方向不亚于世界上任何一台示波器。


11种串行协议分析
11种串行协议分析

标配:RS-232/422/485/UART、SPI、I2C、 CAN

选配:CAN-FD、SENT、LIN、FlexRay、AUDIO(I2S,LJ,RJ,TDM)、

           MIL-STD-1553、ARINC429

-支持数据触发和包类型触发

-支持事件列表和搜索功能


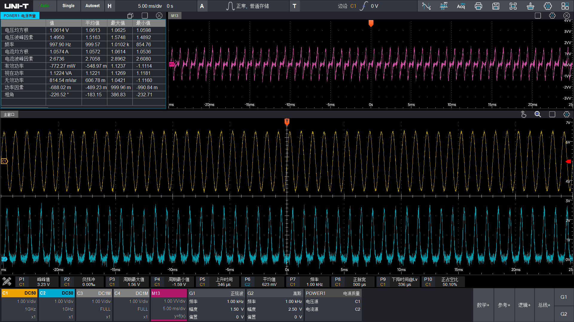
多种电源评估方案--电源完整性
多种电源评估方案--电源完整性
多种电源评估方案--电源完整性
多种电源评估方案--电源完整性
多种电源评估方案--电源完整性
多种电源评估方案--电源完整性

MSO7000X提供全方位的分析工具和评估结果,

加快电源设计人员测试效率!

-电源质量 

-谐波分析 

-开关损耗 

-安全工作区 

-纹波分析

-环路分析

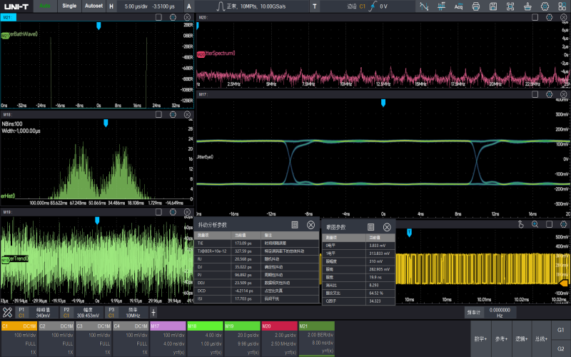
抖动分析和眼图
抖动分析和眼图

MSO7000X 提供了带有多种时钟恢复的眼图绘制、测量功能以及视觉化的抖动分析软件,无需多余设置即可快速生成眼图,从时域,频域,统计域定位时钟或数据信号抖动,并进行抖动分解。

抖动分析视图:TIE直方图、TIE频谱图、TIE趋势图,浴盆曲线。


MSO7254X

模拟通道数:4
模拟带宽:2.5GHz
最高实时采样率:10GSa/s
最大存储深度:1Gpts
最高波形捕获率:2,000,000 wfms/s
数字通道:16(opt.)
内置信号源:60MHz,2CH
(opt.)
价格(未税):¥153,800
加入对比

MSO7204X

模拟通道数:4
模拟带宽:2GHz
最高实时采样率:10GSa/s
最大存储深度:1Gpts
最高波形捕获率:2,000,000 wfms/s
数字通道:16(opt.)
内置信号源:60MHz,2CH
(opt.)
价格(未税):¥128,800
加入对比

MSO7104X

模拟通道数:4
模拟带宽:1GHz
最高实时采样率:10GSa/s
最大存储深度:1Gpts
最高波形捕获率:2,000,000 wfms/s
数字通道:16(opt.)
内置信号源:60MHz,2CH
(opt.)
价格(未税):¥98,800
加入对比

激活选件

MSO7000X-BW-10T20
1GHz升级2GHz带宽
¥35,580

激活选件

MSO7000X-LA
16通道逻辑分析仪选件及探头
¥7,999

激活选件

MSO7000X-AWG
双通道60MHz任意波发生器选件
¥5,880

激活选件

MSO7000X-BND
升级套件(JITTER,PWR,CANFD,FLEX,SENT,AUDIO,AERO)
¥12,800

激活选件

MSO7000X-JITTER
高级抖动和眼图分析选件
¥6,880

激活选件

MSO7000X-PWR
高级电源分析选件
¥7,680

激活选件

MSO7000X-CANFD
汽车串行总线触发和分析选件 (CAN-FD)
¥5,880

激活选件

MSO7000X-FLEX
汽车串行总线触发和分析选件(FlexRay)
¥5,880

激活选件

MSO7000X-SENT
汽车传感器总线触发和分析选件(SENT)
¥5,880

激活选件

MSO7000X-AUDIO
音频串行总线触发和分析选件(I2S、LJ、RJ、TDM)
¥5,880

激活选件

MSO7000X-AERO
航空航天串行总线触发和分析选件(MIL-STD-1553, ARINC 429)
¥6,880

高压差分探头

高压差分探头

高压差分探头

高压差分探头

高压差分探头

高压差分探头

使用手册
download

MSO7000X系列使用手册

Version:V2.0
Release Date:2024.6.1
编程手册
download

MSO7000X系列编程手册

Version:V2.0
Release Date:2024.6.1
数据手册
download

MSO7000X系列数据手册

Version:V2.0
Release Date:2024.6.1
其它资料
download

MSO7000X系列快速指南

Version:V2.0
Release Date:2024.6.1
download

MSO7000X系列汽车CAN CAN-FD LIN FlexRay SENT总线协议分析

Version:V2.0
Release Date:2024.9.2
download

MSO7000X系列航空航天MIL-STD-1553 ARINC 429总线协议分析

Version:V1.0
Release Date:2024.9.2
download

高级电源分析

Version:V2.0
Release Date:2024.9.2
download

高速信号完整性之抖动分析和眼图

Version:V2.0
Release Date:2024.9.2
固件
名称
版本号
更新日期
下载
MSO7000X系列 固件包
V2.0
2024.09.05
download